|
|
Solving the Direct Conversion Problem
By Doug Grant, Business Development Director, RF & Wireless Systems, Analog Devices, Wilmington, MA
Planet Analog
For years, the direct-conversion radio architecture has been analyzed and a few successful implementations targeting low-performance systems have made it to production. Using a combination of analog and mixed-signal technology, new tricks have made direct-conversion a viable solution to high-performance radio problems.
Receiver Architectures
In the 100 years or so that radio receivers have been designed, numerous architectures have been tried. Early receivers were untuned affairs, and suffered from problems when more than one station was transmitting in the area. With the introduction of vacuum-tube gain stages, selectivity could be introduced in multiple stages, improving the ability of a receiver to discriminate among several nearby signals.
Regenerative and super-regenerative receivers enjoyed a brief period of popularity, but Major Edwin H Armstrong's invention in 1917 of the superheterodyne receiver changed the way receivers were designed forever.

Figure 1. Basic Superheterodyne Receiver
Armstrong's approach was simple -- since it was not practical to build a receiver with a broadband amplifier and tunable high-selectivity filter, he chose to move the signal of interest in the frequency domain to an “intermediate frequency”, or IF. The IF stage of the receiver included a narrow-band filter centered at that fixed frequency, and a fair amount of gain, which could also be optimized for that frequency. The frequency- translation process, called “mixing”, required a tunable local oscillator (foreverafter known as the LO), and a device of some kind that would produce output signals at the sum and difference of the RF input and the LO.
The superhet receiver evolved over the decades as new technologies became available for the active and passive devices. Gain blocks evolved from vacuum tubes to transistors, and later to integrated transistors. Filter devices evolved from LC networks, to quartz crystals, to ceramic resonators, to mechanical disks, to surface-acoustic-wave (SAW) devices, many of which are still used today. The ever-changing universe of available devices gave radio engineers numerous variables to juggle, and these engineers literally made careers out of optimizing superhet receiver design tradeoffs.
For example, a receiver designed for low cost might use only one IF (for example, 455 kHz in AM broadcast receivers or 10.7 MHz in FM receivers). A receiver for higher-performance systems might distribute the gain over a few different IFs, with adequate selectivity in each stage to prevent distortion and the resulting undesired spurious signals. For example, a high-performance HF communications receiver might use as many as four IFs; 70 MHz, 8.8 MHz, 455 kHz, and 100 kHz.
Mathematically and spectrally, the superhet receiver appears fairly straightforward and ingenious. The mixer, treated for this exercise as a multiplier, accepts input signals at FRF and FLO, and delivers outputs at the sum and difference frequencies, (FRF-FLO) and (FRF+FLO). These frequencies are usually quite far apart in the frequency domain, and the unwanted signal is easily removed with a simple filter. As FLO is varied, different signals in the RF band are converted to FIF, and are filtered and/or demodulated there. Consider the case shown below, with signal around 900 MHz, and a tunable LO around 800 MHz.

Figure 2. Superheterodyne Receiver Spectral Representation
However, upon closer inspection, a problem is revealed. It seems that there is another RF frequency that can create a signal at FIF at the output of the mixer.
Consider the equation:
FIF1 = FRF1-FLO
Rearranging terms, we find that FRF1 = FLO + FIF1, which is what we expect. However, consider FRF2, equal to (FLO - FIF), and solve for the mixer output for the same LO.
= FRF2 - FLO = (FLO - FIF) - FLO = -FIF ,
which, neglecting the sign inversion, is the same IF frequency as that produced by FRF1. In Figure 3, we can see what happens when signals at 700 MHz (the triangle) and 900 MHz (the trapezoid) both reach the input of a mixer whose LO is operating at 800 MHz. Both signals are converted to the 100 MHz IF, and no amount of filtering can separate them.

Figure 3. “Image” Problem in Superhet Receivers
This means that a signal present at the mixer input separated from the desired signal by twice the IF frequency will be indistinguishable from the desired signal when it gets to the IF. Any signal at this “image” frequency must be removed by filtering before the input of the mixer, or it will create an unresolvable interferer in the IF passband. Techniques have been developed to reduce this problem -- special mixers known as image-reject or single-sideband mixers can reduce the problem significantly, but they require duplicating most of the mixer circuitry, and consume more power than a normal mixer.
Demodulation in most modern wireless systems is accomplished by decomposing the signal into its I/Q (In-phase and quadrature) components. These I/Q signals are generally converted from analog to digital and digital signal processing is used to extract the modulation (and correct for channel imperfections, multi-path, fading, etc.). The I/Q demodulation is performed on the IF signal in a modern superhet receiver, with the demodulating LO usually at a fixed frequency.

Figure 4. I/Q Demodulator Stage
However, an interesting effect occurs when the demodulating local oscillator is made equal to the incoming RF signal's frequency (instead of the IF signal). If FLO=FRF, then the mixer outputs are at (FLO+FRF), or double the signal frequency; and (FLO-FRF) which is dc. In practice, a pure tone at FRF is not terribly interesting, since it carries no modulation. A modulated signal creates a signal band centered at FRF, and mixing this with a local oscillator at FRF moves the modulation sidebands to a dc-centered spectrum. A quadrature LO decomposes the incoming RF signal into its I and Q components directly. Interferers in adjacent channels are also translated to baseband, and are filtered by using low-pass filters, not the IF bandpass filters used in superheterodyne receivers. This is an intriguing result, and allows the SAW, ceramic, or other passive devices used for IF filtering to be replaced by filters that can be integrated on a chip. These filters can be analog, digital or a combination.
Direct conversion also means that the LO required in a superhet to perform the frequency translation from RF to IF disappears (and the attendant passive components and their accompanying board space disappear with it).
The concept of direct conversion is so appealing that numerous attempts to use the technique have occurred over the years. However, many have failed due to the second-order problems that can cripple a direct-conversion receiver. These problems are mostly due to signal leakage on a printed-circuit board.
First, LO radiation can be a show-stopper. Consider a cellular-phone system, where the handsets listen for signals from the base station. Since the LO is operating on the same frequency as the base station transmitter signal, any leakage out the antenna port is indistinguishable from a real transmitted signal by other receivers in the same vicinity. Most cellular systems include tests in the equipment approval process for spurious emissions in the receive band. This leakage is a tough problem to solve at higher frequencies (GHz range), since even a short interconnect trace on a circuit board can be a reasonably efficient “antenna”. Abundant shielding is one solution, but can add cost and weight to a portable product, and is something of a brute-force approach.
A second problem is caused by leakage from the RF port to the LO's VCO. If we think of the oscillator as an amplifier with a lot of gain at one frequency, any external signal coupling into that amplifier/oscillator can perturb the phase of the VCO, which can cause serious problems in a phase-modulated system. If the LO's phase varies, it causes apparent phase shifts in the received signal, and will degrade the demodulation accuracy. Additionally, nearby large-signal interferers in the receive band may leak enough to pull the LO VCO off frequency, further degrading the receiver performance.

Figure 5. Leakage Problems in Direct-Conversion receivers
The obvious solution is to somehow desensitize the LO VCO to leakage from the antenna, and somehow prevent the LO VCO from radiating in the receive band. Several tricks have been used to reduce this problem. One idea is to operate the VCO in the synthesizer at a multiple or fraction of the needed LO frequency, and then perform either a division or multiplication to produce the actual LO. This is practical in some systems, but can be a problem if the desired LO is relatively high and a suitable double-frequency VCO with suitable phase noise is too costly or consumes too much power. It can also be a problem if the process of doubling the VCO frequency consumes too much power. In either case, the available “antenna” carrying the on-frequency LO signal is on-chip, and much less efficient in radiating it.

Figure 6. Methods of LO generation using VCO at half or double LO frequency
Another approach is to create the tunable LO by means of mixing a tunable VCO with a fixed offset oscillator. This is similar to the method of using a half- or double-frequency oscillator, but the tradeoffs in power may be more favorable. However, it requires a second oscillator, which carries a penalty in board area and component count.

Figure 7. LO Generation using Offset VCO
While this method has the advantage that neither VCO is operated near the RF signal frequency, a quick look at the figure shows that it closely resembles the superhet in terms of component count and complexity.

Figure 8. Basic Regenerative Divider
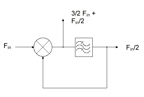
An interesting twist on this method uses regenerative division to produce the desired LO from an oscillator operating at a different frequency without a second VCO. This method, originally published in 1939 (!), uses a part of signal from a mixer's output as the LO input to the same mixer. In the original version, energy at half the input frequency is coupled back to the LO input of a mixer, producing outputs at ½ Fin and 3/2 Fin, and the desired signal can easily be selected.

Figure 9. Regenerative Divider for LO at 4/3 VCO Frequency
In a variant of this approach, used in a multi-band GSM direct-conversion radio, a divide-by-four circuit is used, creating signals at 2/3 and 4/3 the input frequency. A carefully-chosen tunable VCO frequency (in this case, approximately 1350-1450 MHz) produces outputs in the 900 and 1800/1900 MHz GSM bands that can be used for the direct-conversion local oscillator. Further refinement of the approach, shown below, delivers the I and Q versions of the LO for the direct conversion to I/Q baseband.

Figure 10. A Complete LO-Generation Scheme for a GSM/DCS/PCS Direct-Conversion Receiver System
DC Offset in Direct-conversion Systems
DC offset in a direct-conversion receiver can be either a minor problem or a disastrous problem, depending on the system requirements. DC problems arise from several places. Obviously any time the input signal is at the center of the channel and in phase with the LO, a dc term results since the multiplication of the two sinusoids in the mixing process results in a dc term. If the signal phase varies, the dc term also will vary. In some types of modulation, the signal never really spends any time at the center of the channel -- for example, FSK modulation uses one frequency (at one side of the channel) for a zero, and another frequency at the other side of the channel for a one. The behavior of the receiver in the middle of the channel is irrelevant, and ac coupling can be applied to block the dc offset. In more-complex modulation schemes, however, there is often useful information at or near dc (or mid-channel), and ac-coupling is not an option.

Table 1. Methods for dc-offset Removal
In some systems, removing the dc offset is complicated further. In GSM, for example, the signal is TDMA, and contains energy at relatively low frequencies. The need for fast settling time and response to near dc during the midamble training sequence precludes the use of ac-coupling. Furthermore, since GSM is intended for use in a mobile environment and can include frequency changes from burst to burst, the dc offset changes dynamically from burst to burst.
Another offset issue arises from the fact that nearly all the gain in the system is taken at baseband. This means that any dc offsets in any baseband amplifier stage will be amplified, and can degrade the dynamic range of the demodulator stage after the gain. Careful precision analog design techniques should be used in the baseband amplifier stages to make these offsets as small as possible. Any remaining offsets can be removed by a static trim in the analog domain, using DACs, for example, to remove the fixed offsets.
The final few dB of offset reduction is done in software, where an algorithm monitors the training sequence in the burst, and corrects the dc offset in each burst. The resulting dynamic range improvement makes direct-conversion suitable for use in a high-performance system like GSM.
In other systems, it may be possible to use ac coupling and still respond adequately to transients from power-on, gain switching, etc. For example, direct-sequence spread-spectrum systems such as the 4 MHz WCDMA signal used for 3 rd -generation cellular systems can tolerate some loss of information in the signal. It is usually possible to set a high-pass corner frequency in the range of a few kiloHertz without noticeable impact on the system bit error rate.
Direct Conversion and Transmitters
Direct-conversion transmitters are used in many systems. The problem with direct-conversion transmission arises when the high-power transmitted signal leaks back to the on-channel VCO, disturbing the phase integrity. In FSK systems, it is common to modulate a half-frequency transmit VCO directly, and double to the carrier frequency.

For more complex modulation systems, several approaches have been used. Straightforward open-loop superhet transmit chains, in which an IF is quadrature-modulated then up-converted to the carrier frequency are common, but require filtering to remove out-of-band noise components. The cost and size of this filtering is undesirable in a portable application.
A variant of this approach uses a fixed offset PLL in addition to the tunable oscillator, and the I/Q modulation is applied to the resulting carrier frequency directly. In this approach, any leakage of the transmitted signal back to the VCO is relatively harmless, since the VCO is offset from the carrier frequency and insensitive to injection issues.

Figure 12. Closed-loop Modulation with Offset PLL
A similar approach to the offset PLL approach uses a closed-loop architecture, where the transmitted signal (assumed to be a constant-envelope phase-modulated waveform) is generated by a VCO controlled by a closed loop. In Figure 12, the I/Q modulation is generated at a fixed IF frequency set by LO2. This accurate signal is mixed with a down-converted version (by way of tunable LO2) of the RF output, producing (after low-pass filtering) an error signal that drives the final VCO to the correct frequency and phase.
Any imperfections caused by leakage or other mechanisms are absorbed in the loop's operation, and the resulting transmitted waveform is a very pure replica of the IF signal. This transmitter is more robust than an open-loop superhet, and reduces the filtering requirements. However, it still requires two LOs, with the resulting penalty in board area and circuit cost.

Figure 13. “Virtual-IF™” Closed-Loop Transmitter Architecture
A third transmitter architecture is called “Virtual-IF™”. This approach, used in a recently-introduced GSM transceiver chipset. Here, the baseband I/Q modulation is applied to a quadrature mixer, generating the desired GMSK signal. However, the IF frequency is not generated by a PLL or separate oscillator. Instead, the “virtual IF” frequency is generated by a loop starting with a tunable synthesizer at, say 1350 MHz, mixed with the output of a power VCO operating at the desired 900 MHz carrier. The mixer output, at approximately 450 MHz, is split into quadrature components for the I/Q modulator. The output of the modulator is divided by two, resulting in a 225 MHz signal.
This signal is applied to a Phase-Frequency Detector, where it is compared with the output of the tunable PLL divided by 6. The low-pass-filtered PFD output forces the VCO to the right frequency and phase where it can then be amplified to the necessary output level. As the tunable VCO is moved to a new channel, the modulated IF frequency varies. Chasing around the loop in this scheme, we find that
FIF=FRF-FSYNTH from the feedback mixer, and
FIF/2 = FSYNTH/6 ; or FIF=FSYNTH/3
Since the PFD will drive the RF VCO to a frequency and phase that forces its inputs to be equal:
FRF-FSYNTH = FSYNTH/3, which leads to
FRF = 4/3 FSYNTH
This means that the transmitted RF signal is at a frequency that is 33% away from the main tunable synthesizer's VCO, which is sufficient to reduce the effects of leakage to an acceptable level. This is accomplished without the use of a second synthesizer.
Furthermore, this method requires no IF SAW filtering and the resulting modulation is clean enough that it does not need a duplex filter to reduce emissions in the receive band. The techniques described in this paper have been used in a multi-band GSM radio chipset intended for portable applications. The direct-conversion receiver is suitable for all GSM modulation schemes, and the transmitter is suitable for all constant-envelope modulation schemes used in GSM.